PMTCとは?
自分は毎日歯みがきをしているからむし歯や歯周病なんて大丈夫!
そう自信を持って言い切れる方もいらっしゃると思います。
しかし、どんなに歯磨きをしていても取り切れない汚れもあります。
排水溝と同じ?実は細菌だらけの口の中

お口の中には、毎日丁寧にすみずみまで磨いているつもりでいても、どうしても歯ブラシでは落とせない汚れがついたり、歯ブラシが届きにくいところに汚れがたまりやすかったりしてしまいます。
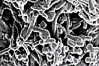
歯ブラシで落とすことができない汚れとして、バイオフィルムがあります。
バイオフィルムとは、ミュータンス菌をはじめとする多くの細菌が集まって作られる膜状の塊です。
あまり聞き慣れない言葉かもしれませんが、皆さんの身近なところにもバイオフィルムはあります。

例えば、台所の流しの排水溝にたまる「ヌルヌル」もバイオフィルムです。
すごく汚いイメージをされたかと思います。
それと同じバイオフィルムがお口の中にも発生しているのです。
しかも、バイオフィルムは、歯に強力に付着するため、歯ブラシではなかなか取り除くことができません。
抗生物質や洗口剤でも死滅する事は困難なのです。
歯のエステ!?すっきり爽快なPMTC!

PMTCとは、歯科衛生士が専門的な器械を使って、このバイオフィルムを除去するクリーニングをし、トリートメントし、歯を強くするためのフッ素塗布などを行うことです。
PMTCには、虫歯予防や歯周病の予防や改善、歯質の強化とともに、歯の着色を除去し、光沢のあるきれいな歯を保つ、などの効果があります。歯を削る治療とは違って、痛みなく終わります。
実際にPMTCを受けた患者様からは、
「すごく気持ちよかった」
「歯がツルツルになって気持ちがいい」
「眠くなるほど気持ちがよかった」
となどといったお声をいただきます。
PMTCの効果・メリット
- バイオフィルムの破壊
- むし歯の予防
- 歯周病、歯肉炎の予防
- 着色を落とす
- 口臭の予防
- 磨き上げられることで、歯の輝きが増す
- フッ素で歯を強くする
- 爽快感が得ることができる
こんな方には特におすすめ!
- 歯の健康と美しさを求める方
- 歯を大切にしたい方
- 口の中のネバネバが気になる方
- 歯石取りが終わって、もっと歯をきれいにしたい方
- 矯正中の方
- かぶせ物やブリッジがある方
- 口臭が気になる方
PMTCの基本的な手順
プラークのチェック

完璧な歯磨きは難しいため磨き残しは出てくるものです。自分で不得意な部分を確認することによって今後の歯磨きの参考にしていきます。
超音波による歯石除去

超音波スケーラーという特殊な器械を使います。当院で採用している機種はパワー調整が繊細にできるので、痛みをほとんど感じず歯石を取ることができます。
歯の清掃・研磨

専用のペーストを使用して、歯の表面や根元の部分を磨き上げます。
フッ素塗布

最後の仕上げに、フッ素塗布をします。フッ素は、歯質を強化する作用がありますので、虫歯の予防に効果的です。
歯をきれいに保つには、定期的なケアが大切です!
定期的なPMTCによって、細菌の塊であるバイオフィルムの数は減っていきます。また、並行してプラークが増えやすい食生活や生活習慣(禁煙、規則正しい食生活、ブラッシング)を改善することも大切なポイントです。
バイオフィルムやお口の汚れに対抗するには、定期的なメンテナンスに勝る予防法はありません。
しかし、一般ではまだまだPMTCやメンテナンスの必要性に対する意識が高い方が少ないのが現状です。痛いところがないのに歯科医院に通う必要は無いと考えている方がほとんどです。
むし歯再発のリスクを下げるため、健康で爽やかな気持ちの良いお口の中を保つためにも定期的にPMTCをお受けいただくことをおすすめします。

03-6417-9090
メールでご連絡 〉





電話する
予約する